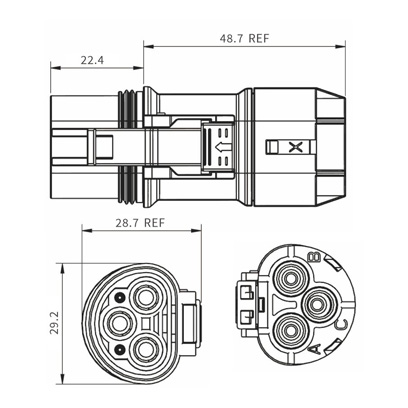
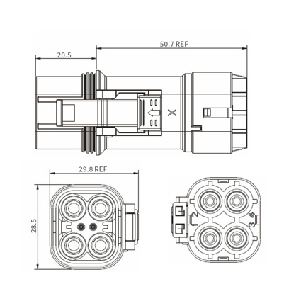
该产品为金属外壳连接器,体积小,屏蔽效果优于塑胶外壳类产品。该产品2芯、3芯和4芯紧密型设计能更好适应狭小空间的应用。
HPL36系列连接器是针对新能源汽车中小电流应用开发的一款方案。主要应用在PDU、空调、PTC、DC/DC、油泵、汽泵、除霜、慢充等设备上。
1、电气特性
■额定电压:800V DC
■额定电流(工作环境温度30℃):
20A(适配电缆2.5mm²)
25A(适配电缆4.0mm²)
40A(适配电缆6.0mm²)
60A(适配电缆10mm²)
■绝缘电阻:≥2000MΩ
■耐 压:2750V AC
2、其他参数
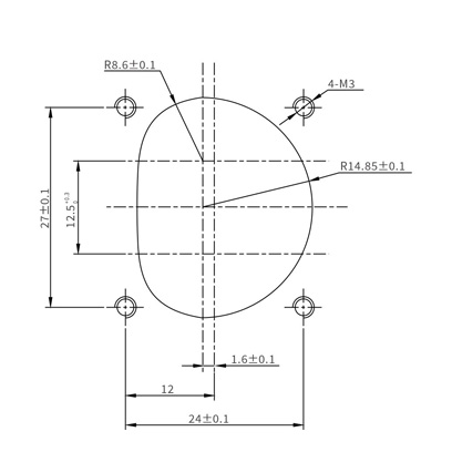
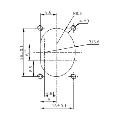
■防护等级:IP67
■环境温度:-40℃~+125℃
■连接器芯数:两芯、三芯、四芯
■配线规格:两芯2.5~10mm²、三芯、四芯2.5~6mm²
■电磁屏蔽:360°屏蔽
■机械寿命:≥200次
3、材料及表面处理
■壳体材料:锌合金
■壳体表面处理:镀镍或其他
■绝缘体材料:PA66
■阻燃等级:UL94V-0
■插针及插孔材料:铜合金
■表面处理:镀银
■密封体:硅橡胶
两芯
| 序号 | 订货型号 | 产品描述 | 适配线缆规格 |
| 1 | HPL36-02*-61-2.5 | 插座/ 2芯/高压互锁 | 2.5mm²非屏蔽线 |
| 2 | HPL36-02*-61-4 | 插座/ 2芯/高压互锁 | 4mm²非屏蔽线 |
| 3 | HPL36-02*-61-6 | 插座/ 2芯/高压互锁 | 6mm²非屏蔽线 |
| 4 | HPL36-02*-61-10 | 插座/ 2芯/高压互锁 | 10mm²非屏蔽线 |
| 5 | HPL36-62*-61-2.5 | 插头/ 2芯/高压互锁 | 2.5mm²屏蔽线 |
| 6 | HPL36-62*-61-4 | 插头/ 2芯/高压互锁 | 4mm²屏蔽线 |
| 7 | HPL36-62*-61-6 | 插头/ 2芯/高压互锁 | 6mm²屏蔽线 |
| 8 | HPL36-62*-61-10 | 插头/ 2芯/高压互锁 | 10mm²屏蔽线 |
| 9 | HPL36-02*-60-2.5 | 插座/ 2芯/无高压互锁 | 2.5mm²非屏蔽线 |
| 10 | HPL36-02*-60-4 | 插座/ 2芯/无高压互锁 | 4mm²非屏蔽线 |
| 11 | HPL36-02*-60-6 | 插座/ 2芯/无高压互锁 | 6mm²非屏蔽线 |
| 12 | HPL36-02*-60-10 | 插座/ 2芯/无高压互锁 | 10mm²非屏蔽线 |
| 13 | HPL36-62*-60-2.5 | 插头/ 2芯/无高压互锁 | 2.5mm²屏蔽线 |
| 14 | HPL36-62*-60-4 | 插头/ 2芯/无高压互锁 | 4mm²屏蔽线 |
| 15 | HPL36-62*-60-6 | 插头/ 2芯/无高压互锁 | 6mm²屏蔽线 |
| 16 | HPL36-62*-60-10 | 插头/ 2芯/无高压互锁 | 10mm²屏蔽线 |
说明:“*”代表键位,有X、Y、U三种键位选择。
三芯
| 序号 | 订货型号 | 产品描述 | 适配线缆规格 |
| 1 | HPL36-03*-41-2.5 | 插座/ 3芯/高压互锁 | 2.5mm²非屏蔽线 |
| 2 | HPL36-03*-41-4 | 插座/ 3芯/高压互锁 | 4mm²非屏蔽线 |
| 3 | HPL36-03*-41-6 | 插座/ 3芯/高压互锁 | 6mm²非屏蔽线 |
| 4 | HPL36-63*-41-10 | 插头/ 3芯/高压互锁 | 2.5mm²屏蔽线 |
| 5 | HPL36-63*-41-2.5 | 插头/ 3芯/高压互锁 | 4mm²屏蔽线 |
| 6 | HPL36-63*-41-4 | 插头/ 3芯/高压互锁 | 6mm²屏蔽线 |
| 7 | HPL36-03*-40-6 | 插座/ 3芯/无高压互锁 | 2.5mm²非屏蔽线 |
| 8 | HPL36-03*-40-10 | 插座/ 3芯/无高压互锁 | 4mm²非屏蔽线 |
| 9 | HPL36-03*-40-2.5 | 插座/ 3芯/无高压互锁 | 6mm²非屏蔽线 |
| 10 | HPL36-63*-40-4 | 插头/ 3芯/无高压互锁 | 2.5mm²屏蔽线 |
| 11 | HPL36-63*-40-6 | 插头/ 3芯/无高压互锁 | 4mm²屏蔽线 |
| 12 | HPL36-63*-40-10 | 插头/ 3芯/无高压互锁 | 6mm²屏蔽线 |
说明:“*”代表键位,有X、Y、U三种键位选择。
四芯
| 序号 | 订货型号 | 产品描述 | 适配线缆规格 |
| 1 | HPL36-04*-41-2.5 | 插座/ 4芯/高压互锁 | 2.5mm²非屏蔽线 |
| 2 | HPL36-04*-41-4 | 插座/ 4芯/高压互锁 | 4mm²非屏蔽线 |
| 3 | HPL36-04*-41-6 | 插座/ 4芯/高压互锁 | 6mm²非屏蔽线 |
| 4 | HPL36-64*-41-10 | 插头/ 4芯/高压互锁 | 2.5mm²屏蔽线 |
| 5 | HPL36-64*-41-2.5 | 插头/ 4芯/高压互锁 | 4mm²屏蔽线 |
| 6 | HPL36-64*-41-4 | 插头/ 4芯/高压互锁 | 6mm²屏蔽线 |
| 7 | HPL36-04*-40-6 | 插座/ 4芯/无高压互锁 | 2.5mm²非屏蔽线 |
| 8 | HPL36-04*-40-10 | 插座/ 4芯/无高压互锁 | 4mm²非屏蔽线 |
| 9 | HPL36-04*-40-2.5 | 插座/ 4芯/无高压互锁 | 6mm²非屏蔽线 |
| 10 | HPL36-64*-40-4 | 插头/ 4芯/无高压互锁 | 2.5mm²屏蔽线 |
| 11 | HPL36-64*-40-6 | 插头/ 4芯/无高压互锁 | 4mm²屏蔽线 |
| 12 | HPL36-64*-40-10 | 插头/ 4芯/无高压互锁 | 6mm²屏蔽线 |
说明:“*”代表键位,有X、Y、U三种键位选择。
选型说明
| 产品代码 | HPL36 |
| 0 | 0-插座 6-插头 |
| 2 | 芯数:2-两芯 |
| * | 防误插键位:X-X键位 Y-Y键位 U-U键位 |
| 61 | 60-不带高压互锁 61-带高压互锁 |
| 4 | 2.5-适配线径2.5mm² 4-适配线径4mm² 6-适配线径6mm² 10-适配线径10mm² |
| N | 仅限插头,空缺:屏蔽线 N:非屏蔽线 |
| 产品代码 | HPL36 |
| 0 | 0-插座 6-插头 |
| 3 | 芯数: 3-三芯 4-四芯 |
| * | 防误插键位:X-X键位 Y-Y键位 U-U键位 |
| 41 | 41-不带高压互锁 40-带高压互锁 |
| 4 | 2.5-适配线径2.5mm² 4-适配线径4mm² 6-适配线径6mm² |
| N | 仅限插头,空缺:屏蔽线 N:非屏蔽线 |