多多28

WOER (002130): 0 0 (0%)

HVA800系列带高压互锁连接器

应用领域:

HVA800系列主要电动汽车动力电池,PDU、电控等设备上。

下载手册

该产品为塑胶外壳连接器,具有体积小,重量轻,便于安装,可靠性高等特性,有180°出线和90°出线两种插头选择。

HVA800系列主要电动汽车动力电池,PDU、电控等设备上。


1、电气特性

额定电压:1000V DC

额定电流(工作环境温度30)

                        120A(适配电缆25mm²)

                        150A(适配电缆35mm²)

                        200A(适配电缆50mm²)

绝缘电阻:2000MΩ

      压:3000V AC

2其他参数

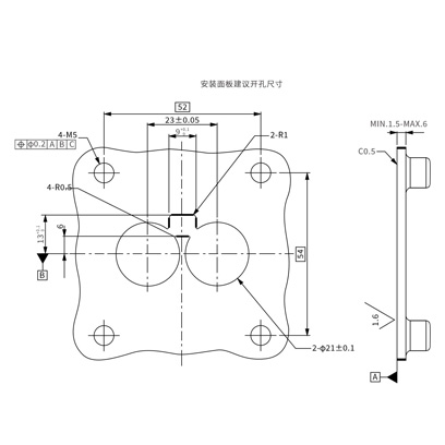
防护等级:IP67

环境温度:-40℃~+125

连接器芯数:两芯

配线规格:2550mm²

■电磁屏蔽:360°屏蔽

机械寿命:≥200

3、材料及表面处理

壳体材料:PA66+GF25

阻燃等级:UL94 V-0

插针及插孔材料:铜合金

表面处理:镀银

密封体材料:硅橡胶


插头型号明细

序号订货型号产品描述适配线缆规格
1

HVA80062*HC25

直头*键位 带高压互锁插头

25mm²屏蔽线

2

HVA80062*HC35

直头*键位 带高压互锁插头

35mm²屏蔽线

3

HVA80062*HC50

直头*键位 带高压互锁插头

50mm²屏蔽线

4

HVA80082*HC25

弯头*键位 带高压互锁插头

25mm²屏蔽线

5

HVA80082*HC35

弯头*键位 带高压互锁插头

35mm²屏蔽线

6HVA80082*HC50弯头*键位 带高压互锁插头50mm²屏蔽线

说明:*”代表键位,有A、B、C、D四种键位选择。

插座型号明细

序号订货型号产品描述适配线缆规格
1

HVA80002*HH

插座*键位 带高压互锁插头

M6

2

HVA80002*HY

插座*键位 带高压互锁插头

M6

说明:*”代表键位,有A、B、C、D四种键位选择。

选项说明

产品系列  HVA800
62  62-直式插头     82-弯式插头  
A  键位(Key):A,B,C,D
H  高压互锁 : H-带高压互锁     N-不带高压互锁
C50  接线规格 :25mm²,35mm2,50mm²

产品系列  HVA800
02  02-插座
A  键位(Key):A,B,C,D
H  高压互锁 : H-带高压互锁     N-不带高压互锁
H  尾部出线方式 :H-180° 出线,Y-90° 出线


返回
Tel: 86 755-28299160