该产品为塑胶外壳连接器,具有体积小,重量轻,便于安装,可靠性高,可在多合一上替代两个两芯接口,节省成本。
HV360系列主要应用于电动汽车多合一上,连接空调,PTC等设备。
1、电气特性
■ 额定电压:800V DC
■ 额定电流(工作环境温度30℃):
20A(适配电缆2.5mm²)
25A(适配电缆4mm²)
400A(适配电缆35mm²)
■ 绝缘电阻:≥2000MΩ
■ 耐 压:2750V AC
2、其他参数
■防护等级:IP67
■环境温度:-40℃~+125℃
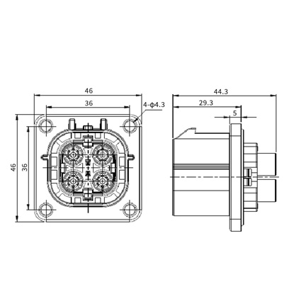
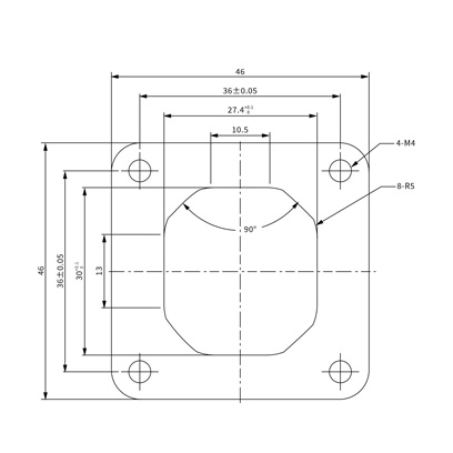
■连接器芯数:四芯
■配线规格:2.5~6mm²
■电磁屏蔽:360°屏蔽
■机械寿命:≥200次
3、材料及表面处理
■壳体材料:PA66+GF25
■阻燃等级:UL94 V-0
■插针及插孔材料:铜合金
■表面处理:镀银
■密封体:硅橡胶
插头型号明细
| 序号 | 订货型号 | 产品描述 | 适配线缆规格 |
| 1 | HV36064AH02 | 插头A键位 带高压互锁插头 | 2.5mm²屏蔽线 |
| 2 | HV36064AH04 | 插头A键位 带高压互锁插头 | 4.0mm²屏蔽线 |
| 3 | HV36064AH06 | 插头A键位 带高压互锁插头 | 6.0mm²屏蔽线 |
插座型号明细
| 序号 | 订货型号 | 产品描述 | 适配线缆规格 |
| 1 | HV36004AH02 | 插座A键位 带高压互锁插座 | 2.5mm²非屏蔽线 |
| 2 | HV36004AH04 | 插座A键位 带高压互锁插座 | 4.0mm²非屏蔽线 |
| 3 | HV36004AH06 | 插座A键位 带高压互锁插座 | 6.0mm²非屏蔽线 |
| 产品系列 | HV360 |
| 64 | 64-四芯插头 04-四芯插座 |
| A | 键位(Key):A、B、C、D(目前只有A键位可选) |
| H | 高压互锁:H-带高压互锁 N-不带高压互锁 |
| 02 | 接线规格:02-2.5mm² 04-4.0mm² 06-6.0mm² |