本产品是一款用于电动车、混合动力汽车市场的塑胶外壳高压互锁连接器,主要应用在PDU、空调、PTC、DC/DC、油泵、汽泵、除霜、慢充等设备上。
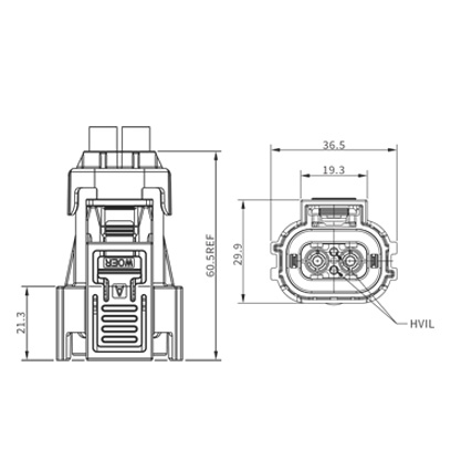
该产品为塑胶高压连接器,体积小,结构紧凑,两级解锁。可接多种电缆,有多种防误插键位,带高压互锁,有防手指触电设计,360°屏蔽。
1、电气特性
■ 额定电压:800V DC
■ 额定电流(工作环境温度30℃):
20A (适配电缆:2.5mm²)
25A(适配电缆:4mm²)
40A(适配电缆:6mm²)
■ 绝缘电阻:≥2000MΩ(常态)
■ 耐 压:2750V AC
2、其他参数
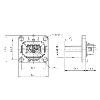
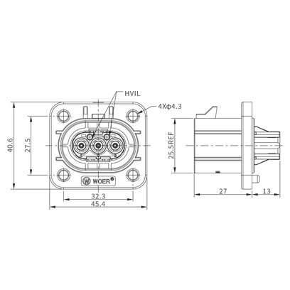
■防护等级:IP67
■环境温度:-40℃~+125℃
■连接器芯数:两芯、三芯
■配线规格:2.5~6mm²电缆
■机械寿命:≥200次
3、材料及表面处理
■壳体材料:尼龙(PA66/PBT)
■阻燃等级:UL94 V-0
■插针及插孔材料:黄铜
■表面处理:镀银/镀镍
■密封体:硅橡胶
HV280两芯
| 序号 | 订货型号 | 产品描述 | 适配线缆规格 |
| 1 | HV28062*H02 | 带高压互锁连接器插头/接2.5mm²屏蔽线 | 2.5mm²屏蔽线 |
| 2 | HV28062*N02 | 不带高压互锁连接器插头/接2.5mm²屏蔽线 | 2.5mm²屏蔽线 |
| 3 | HV28062*H04 | 带高压互锁连接器插头/接4mm²屏蔽线 | 4mm²屏蔽线 |
| 4 | HV28062*N04 | 不带高压互锁连接器插头/接4mm²屏蔽线 | 4mm²屏蔽线 |
| 5 | HV28062*H06 | 带高压互锁连接器插头/接6mm²屏蔽线 | 6mm²屏蔽线 |
| 6 | HV28062*N06 | 不带高压互锁连接器插头/接6mm²屏蔽线 | 6mm²屏蔽线 |
| 7 | HV28002*H02 | 带高压互锁连接器插座/接2.5mm²非屏蔽线 | 2.5mm²非屏蔽线 |
| 8 | HV28002*N02 | 不带高压互锁连接器插座/接2.5mm²非屏蔽线 | 2.5mm²非屏蔽线 |
| 9 | HV28002*H04 | 带高压互锁连接器插座/接4mm²非屏蔽线 | 4mm²非屏蔽线 |
| 10 | HV28002*N04 | 不带高压互锁连接器插座/接4mm²非屏蔽线 | 4mm²非屏蔽线 |
| 11 | HV28002*H06 | 带高压互锁连接器插座/接6mm²非屏蔽线 | 6mm²非屏蔽线 |
| 12 | HV28002*N06 | 不带高压互锁连接器插座/接6mm²非屏蔽线 | 6mm²非屏蔽线 |
说明:“*”代表键位,有A、B、D三种键位选择。
HV280三芯
| 序号 | 订货型号 | 产品描述 | 适配线缆规格 |
| 1 | HV28063*H02 | 带高压互锁连接器插头/接2.5mm²屏蔽线 | 2.5mm²屏蔽线 |
| 2 | HV28063*N02 | 不带高压互锁连接器插头/接2.5mm²屏蔽线 | 2.5mm²屏蔽线 |
| 3 | HV28063*H04 | 带高压互锁连接器插头/接4mm²屏蔽线 | 4mm²屏蔽线 |
| 4 | HV28063*N04 | 不带高压互锁连接器插头/接4mm²屏蔽线 | 4mm²屏蔽线 |
| 5 | HV28063*H06S | 带高压互锁连接器插头/接6mm²屏蔽线 | 6mm²屏蔽线 |
| 6 | HV28063*N06S | 不带高压互锁连接器插头/接6mm²屏蔽线 | 6mm²屏蔽线 |
| 7 | HV28003*H02 | 带高压互锁连接器插座/接2.5mm²非屏蔽线 | 2.5mm²非屏蔽线 |
| 8 | HV28003*N02 | 不带高压互锁连接器插座/接2.5mm²非屏蔽线 | 2.5mm²非屏蔽线 |
| 9 | HV28003*H04 | 带高压互锁连接器插座/接4mm²非屏蔽线 | 4mm²非屏蔽线 |
| 10 | HV28003*N04 | 不带高压互锁连接器插座/接4mm²非屏蔽线 | 4mm²非屏蔽线 |
| 11 | HV28003*H06 | 带高压互锁连接器插座/接6mm²非屏蔽线 | 6mm²非屏蔽线 |
| 12 | HV28003*N06 | 不带高压互锁连接器插座/接6mm²非屏蔽线 | 6mm²非屏蔽线 |
HV280选型说明
| 型号说明 | HV280 |
| 0 | 0-法兰盘安装插座(配插针) 6-插头(配插孔) |
| 2 | 芯数:2-两芯 3-三芯 |
| A | 防误插键位:A-A键位 B-B键位 D-D键位 |
| H | 高压互锁:H-带高压互锁 N-不带高压互锁 |
| 02 | 02-适配2.5平方线缆 04-适配4平方线缆 06-适配6平方线缆 |
| N | 仅限插头 空缺:屏蔽线 N:非屏蔽线 仅限插座 空缺:带定位柱 N:无定位柱 |